Ruichen सीलिंग प्रौद्योगिकी के नवाचार में सबसे आगे है। स्वतंत्र रूप से विकसित उच्च दबाव वाली धूल सील ठीक से चलती भागों की धूल-प्रूफ मांगों को लंगर डालती है, और उत्कृष्ट सुरक्षा बनाने के लिए पीटीएफई धूल के छल्ले और ओ-रिंग्स का उपयोग करती है। काम करते समय, ओ-रिंग हर समय पीटीएफई रिंग के पहनने की भरपाई के लिए एक स्थिर प्रीलोड लागू करता है, जो सील की दीर्घकालिक स्थिरता सुनिश्चित करता है; धूल की अंगूठी धूल के आक्रमण का दृढ़ता से विरोध करने के लिए एंटी-वियर फिलिंग सामग्री का उपयोग करती है। उदाहरण के लिए, निर्माण मशीनरी के हाइड्रोलिक सिलेंडर के जोड़ों में, निर्माण स्थल पर धूल का सामना करते हुए, उच्च दबाव वाली धूल सील प्रभावी रूप से धूल घुसपैठ को अवरुद्ध करती है और सिलेंडर के चिकनी संचालन को सुनिश्चित करती है; स्वचालित उत्पादन लाइन के रोबोटिक आर्म का पारस्परिक स्विंग लिंक, इसकी धूल सील धूल के हस्तक्षेप से सटीक भागों की रक्षा करती है और उच्च-सटीक संचालन को बनाए रखती है; और खनन उपकरणों के सर्पिल संदेश उपकरण, अयस्क धूल के वातावरण में, उच्च दबाव वाली धूल सील उपकरणों के स्थिर संचालन को सुनिश्चित करती है, संभावित दोषों को कम करती है, और उपकरणों के जीवन का विस्तार करती है। Ruichen Sealing लंबे समय से गहन विकास पर ध्यान केंद्रित कर रहा है। एक पेशेवर टीम और अत्याधुनिक सुविधाओं पर भरोसा करते हुए, यह न केवल ग्राहकों की जरूरतों और स्वतंत्र रूप से उत्पादन की गुणवत्ता को नियंत्रित करने के लिए उच्च-प्रदर्शन वाली सीलिंग सामग्री को अनुकूलित कर सकता है, बल्कि पॉलीऑक्सिमेथिलीन जैसे समृद्ध और विविध सामग्रियों को भी आरक्षित कर सकता है, ग्राहकों को एक स्टॉप में विभिन्न सीलिंग समस्याओं को दूर करने में मदद करता है और उद्योग में नई ऊंचाइयों तक पहुंचने के लिए एक साथ काम करता है।
डस्टप्रूफ सीलिंग वर्किंग की स्थिति
| प्रोफ़ाइल | नमूना | तापमान (℃) | गति (एम/एस) | मिडिया |
![]() |
RCF01 | -35 ~+100 (मैचिंग ओ-रिंग एनबीआर) | 6 | हाइड्रोलिक तेल, पायस, पानी, आदि। |
| -20 ~+200 (मैचिंग ओ-रिंग एफकेएम) | ||||
![]() |
RCF02 | -35 ~+100 (मैचिंग ओ-रिंग एनबीआर) | 6 | हाइड्रोलिक तेल, पायस, पानी, आदि। |
| -20 ~+200 (मैचिंग ओ-रिंग एफकेएम) | ||||
![]() |
RCF03 | -35 ~+100 (मैचिंग ओ-रिंग एनबीआर) | 6 | हाइड्रोलिक तेल, पायस, पानी, आदि। |
| -20 ~+200 (मैचिंग ओ-रिंग एफकेएम) | ||||
![]() |
RCF04 | -35 ~+100 (मैचिंग ओ-रिंग एनबीआर) | 6 | हाइड्रोलिक तेल, पायस, पानी, आदि। |
| -20 ~+200 (मैचिंग ओ-रिंग एफकेएम) | ||||
![]() |
RCF05 | -35 ~+100 (मैचिंग ओ-रिंग एनबीआर) | 6 | हाइड्रोलिक तेल, पायस, पानी, आदि। |
| -20 ~+200 (मैचिंग ओ-रिंग एफकेएम) |
ऑर्डरिंग उदाहरण:
ऑर्डर मॉडल RCF01-80-PTFE3-R01
RCF01-MODEL 80-SHAFT व्यास PTFE3-UNIVERSAL संशोधित PTFE R01-MATCHING रबर सामग्री कोड
नाइट्राइल रबर (NBR) -R01 फ्लोरोरुबर (FKM) -R02
ऑर्डर मॉडल RCF02-80-PTFE3-R01
RCF02-MODEL 80-SHAFT व्यास PTFE3-GENERAR
NBR (NBR) -R01 फ्लोरोरुबर (FKM) -R02
ऑर्डर मॉडल RCFO3-80-PTFE3 -R01
RCF03-MODEL 80-SHAFT व्यास PTFE3-GENERAL संशोधित PTFE R01-मैचिंग रबर सामग्री कोड
नाइट्राइल रबर (NBR) -R01 फ्लोरोरुबर (FKM) -R02
ऑर्डर मॉडल RCF04-80-PTFE3-R01
RCF04-MODEL 80-SHAFT व्यास PTFE3-GENERAL संशोधित PTFE R01-मिलान रबर सामग्री कोड
नाइट्राइल रबर (NBR) -R01 फ्लोरोरुबर (FKM) -R02
ऑर्डर मॉडल RCF04-80-PTFE3-R01
RCF04-MODEL 80-SHAFT व्यास PTFE3-GENERAL संशोधित PTFE R01-मिलान रबर सामग्री कोड
नाइट्राइल रबर (NBR) -R01 फ्लोरोरुबर (FKM) -R02
ऑर्डर मॉडल RCF05-80-PTFE3-R01
RCF05-MODEL 80-SHAFT व्यास PTFE3-GENERAL संशोधित PTFE R01-मैचिंग रबर सामग्री कोड
नाइट्राइल रबर (NBR) -R01 फ्लोरोरुबर (FKM) -R02
विशेष विवरण:
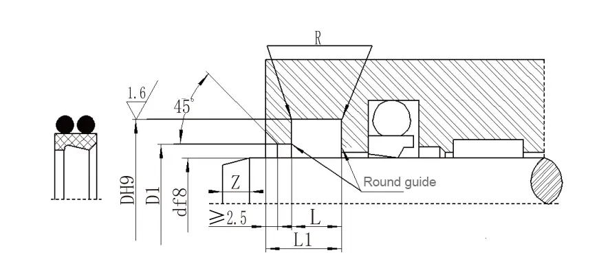
| RCF01 विनिर्देशों (पैरामीटर रेंज के भीतर किसी भी आकार के उत्पाद प्रदान किए जा सकते हैं) | ||||||
| शाफ्ट व्यास D F8 |
नाली व्यास D H9 |
नाली चौड़ाई L+0.2 |
खुला छेद व्यास D1 H11 |
खुले छेद की चौड़ाई a |
गोल कोनें R |
ओ-रिंग वायर व्यास डी0 |
| 19 ~ 39 | d+7.6 | 4.2 | d+1.5 | 3 | 0.8 | 2.65 |
| 40 ~ 69 | d+8.8 | 6.3 | d+1.5 | 3 | 0.8 | 2.65 |
| 70 ~ 139 | d+12.2 | 8.1 | डी+2.0 | 4 | 0.8 | 3.55 |
| 140 ~ 399 | डी+16.0 | 9.5 | d+2.5 | 5 | 1.5 | 5.30 |
| 400 ~ 649 | डी+24.0 | 14 | d+2.5 | 8 | 1.5 | 7.00 |
| 650 ~ 1500 | d+27.3 | 16 | d+2.5 | 10 | 2.0 | 8.60 |
| RCF02, RCF03 विनिर्देश पैरामीटर तालिका (पैरामीटर रेंज के भीतर किसी भी आकार के उत्पाद प्रदान किए जा सकते हैं) | ||||||
| शाफ्ट व्यास D F8 |
नाली व्यास D H9 |
नाली चौड़ाई L+0.2 |
खुला छेद व्यास D1 H11 |
खुले छेद की चौड़ाई a |
गोल कोनें R |
ओ-रिंग वायर व्यास डी0 |
| 4 ~ 11 | d+4.8 | 3.7 | d+1.5 | 2 | 0.4 | 1.8 |
| 12 ~ 64 | d+6.8 | 5 | d+1.5 | 2 | 0.7 | 2.65 |
| 65 ~ 250 | d+8.8 | 6 | d+1.5 | 3 | 1.0 | 3.55 |
| 251 ~ 420 | d+12.2 | 8.4 | डी+2.0 | 4 | 1.5 | 5.30 |
| 421 ~ 650 | डी+16.0 | 11 | डी+2.0 | 4 | 1.5 | 7.00 |
| 651 ~ 1500 | डी+20.0 | 14 | d+2.5 | 5 | 2.0 | 8.60 |
| RCF04 विनिर्देश पैरामीटर तालिका (पैरामीटर रेंज के भीतर किसी भी आकार के उत्पाद प्रदान किए जा सकते हैं) | ||||||
| शाफ्ट व्यास D F8 |
नाली व्यास DH9 |
चरण व्यास D1 H11 |
नाली चौड़ाई L+0.2 |
समग्र चौड़ाई L1 |
गोल कोनों आरमैक्स | चामर लंबाई ज़मीन |
| 20 ~ 39.9 | d+7.6 | डी+1 | 4.2 | 8.2 | 0.4 | 3 |
| 40 ~ 69.9 | d+8.8 | d+1.5 | 6.3 | 10.3 | 1.2 | 4 |
| 70 ~ 139.9 | d+12.2 | डी+2.0 | 8.1 | 12.1 | 2 | 6 |
| 140 ~ 399.9 | डी+16.0 | डी+2.0 | 11.5 | 15.5 | 2 | 8 |
| 400 ~ 649.9 | डी+24.0 | d+2.5 | 15.5 | 19.5 | 2 | 10 |
| 650 ~ 1000 | d+27.3 | d+2.5 | 18.0 | 23.0 | 2 | 12 |
| RCF05 विनिर्देश पैरामीटर तालिका (पैरामीटर रेंज के भीतर किसी भी आकार के उत्पाद प्रदान किए जा सकते हैं) | ||||||
| शाफ्ट व्यास D F8 | नाली व्यास DH9 | चरण व्यास D1 H11 | नाली चौड़ाई L+0.2 |
पक्ष चौड़ाई L1 |
गोल कोनों आरमैक्स |
चामर लंबाई ज़मीन |
| 100 ~ 229 | d+22.2 | d+10.7 | 6.3 | 4.2 | 1.2 | 6 |
| 230 ~ 299 | d+24.2 | d+10.7 | 6.3 | 4.2 | 1.2 | 8 |
| 300 ~ 629 | डी+33.0 | d+15.1 | 8.1 | 6.3 | 1.2 | 10 |
| 630 ~ 1000 | d+36.5 | d+15.1 | 9.5 | 6.3 | 2 | 12 |
आवेदन पत्र:
मुख्य रूप से कृषि मशीनरी, हाइड्रोलिक प्रेस, इंजेक्शन मोल्डिंग मशीन, हाइड्रोलिक नियंत्रण प्रणाली, फोर्कलिफ्ट, रोलर प्रेस, क्रेन, लोडिंग और अनलोडिंग मशीनरी, आदि में उपयोग किया जाता है।











पता
नंबर 1 रुइचेन रोड, डोंगलियुटिंग औद्योगिक पार्क, चेंगयांग जिला, क़िंगदाओ शहर, शेडोंग प्रांत, चीन
टेलीफोन