हम हर परिदृश्य के लिए "सुरक्षा-दबाव प्रतिरोध-लंबी अवधि" ट्रिनिटी समाधान प्रदान करने के लिए प्रतिबद्ध हैं, जिसमें रोटरी सील की आवश्यकता होती है। 200+ सामग्री सूत्र और संरचनात्मक पेटेंट के माध्यम से, हम ग्राहकों को विफलता दर को कम करने और TCO अनुकूलन को प्राप्त करने में मदद करते हैं। उत्पाद मॉडल की पूरी श्रृंखला बहुत विविध है। आप वास्तविक आवश्यकताओं के अनुसार चुन सकते हैं, या हमसे रोटरी सील को कस्टमाइज़ कर सकते हैं।
RCR101 रोटरी कंकाल सिंगल लिप सील, सिंगल एक्टिंग, एक्सियल ओपन ग्रूव इंस्टॉलेशन, व्यापक रूप से उपयोग किया जाता है, ज्यादातर बीयरिंग के लिए एक सुरक्षात्मक तत्व के रूप में उपयोग किया जाता है।
RCR102 रोटरी कंकाल डबल लिप सील, एकल अभिनय, डस्टप्रूफ सहायक होंठ के साथ, अक्षीय खुली नाली स्थापना, व्यापक रूप से उपयोग किया जाता है, ज्यादातर बीयरिंग के लिए एक सुरक्षात्मक तत्व के रूप में उपयोग किया जाता है।
RCR103 रोटरी सील, डबल एक्टिंग, सपोर्ट रिंग के साथ, उच्च दबाव रोटरी सीलिंग स्थितियों के तहत बेहतर सीलिंग प्रभाव।
RCR104, RCR105 रोटरी सील, डबल एक्टिंग, संकीर्ण नाली, स्थिर नाली एम्बेडिंग, और दांतेदार सीलिंग सतह।
RCR106, RCR107 V- आकार की रोटरी सील, अक्षीय आंदोलन, बड़े लोचदार मापांक, घर्षण प्रतिरोध, धूल, प्रदूषक, पानी के छींटे, तेल छप, आदि।
RCR108 रोटरी सील, एकल अभिनय, कोई वसंत नहीं, आंतरिक और बाहरी होंठों का हस्तक्षेप विभिन्न कार्य स्थितियों के अनुसार निर्धारित किया जाता है।
RCR109 ओ-रिंग, लोचदार रिंग ज्यादातर स्टैटिक सीलिंग या डायनेमिक सीलिंग, लचीले तापमान मध्यम चयन के लिए उपयोग की जाती है। विस्तृत खांचे के लिए, कृपया ओ-रिंग नमूने देखें।
शाफ्ट के लिए RCR110 रोटरी टेट्राफ्लुओरोथिलीन सील, डबल अभिनय, संकीर्ण खांचे के लिए उपयुक्त है।
RCR111 रोटरी टेट्राफ्लुओथिलीन सील के लिए छेद, डबल अभिनय, संकीर्ण खांचे के लिए उपयुक्त।
RCR112 रोटरी सील, डबल एक्टिंग, संकीर्ण नाली, चिकनाई की गई काम की स्थिति के लिए उपयुक्त।
RCR113 रोटरी सील, डबल एक्टिंग, सपोर्ट रिंग के साथ, स्थिर नाली एम्बेडिंग, बड़े एक्सट्रूज़न गैप और दबाव की अनुमति देता है, ज्यादातर खुदाई उपकरण के घूर्णन शाफ्ट पर उपयोग किया जाता है।
RCR115 रोटरी टेट्राफ्लुओथिलीन सील शाफ्ट के लिए, डबल एक्टिंग, कम घर्षण, एंटी-साइड हाई प्रेशर, एंटी-हाई तापमान संक्षारण।
RCR116 रोटरी टेट्राफ्लुओथिलीन सील के लिए छेद, डबल एक्टिंग, कम घर्षण, एंटी-साइड हाई प्रेशर, एंटी-हाई तापमान संक्षारण।
RCR117, RCR121 रोटरी PTFE SEAL, Mander Spring के साथ, एकल अभिनय, उच्च तापमान संक्षारण प्रतिरोध, अपेक्षाकृत उच्च गति और उच्च दबाव के लिए उपयुक्त है।
RCR118 अंत PTFE रोटरी सील, मांडर स्प्रिंग, एकल अभिनय, उच्च तापमान संक्षारण प्रतिरोध के साथ, ज्यादातर रासायनिक उद्योग में उपयोग किया जाता है।
RCR119 रोटरी कंकाल सिंगल लिप सील, सिंगल एक्टिंग, एक्सियल ओपन ग्रूव इंस्टॉलेशन, व्यापक रूप से उपयोग किया जाता है, ज्यादातर बीयरिंग के लिए एक सुरक्षात्मक तत्व के रूप में उपयोग किया जाता है।
RCR201, RCR202 रोटरी कंकाल डबल लिप सील, एकल अभिनय, डस्टप्रूफ सहायक होंठ के साथ, अक्षीय खुली नाली स्थापना, व्यापक रूप से उपयोग किया जाता है, ज्यादातर बीयरिंग के लिए एक सुरक्षात्मक तत्व के रूप में उपयोग किया जाता है।
RCR203, RCR204 रोटरी कंकाल-मुक्त एकल होंठ सील, एकल अभिनय, अक्षीय खुले नाली स्थिरता निश्चित स्थापना, ज्यादातर भारी उद्योगों जैसे कि धातुकर्म और शिपबिल्डिंग में उपयोग किया जाता है।
RCR205 कट-ऑफ रोटरी कंकाल-मुक्त एकल होंठ सील, एकल अभिनय, अक्षीय खुली नाली स्थिरता फिक्स्ड इंस्टॉलेशन, ज्यादातर भारी उद्योगों जैसे कि धातु विज्ञान और जहाज निर्माण में उपयोग की जाती है।
RCR206, RCR207 कट-ऑफ रोटरी फ्रैमलेस सिंगल लिप सील, सिंगल एक्टिंग, एक्सियल ओपन ग्रूव फिक्स्चर फिक्स्ड इंस्टॉलेशन, ज्यादातर मेटालियर्स और शिपबिल्डिंग जैसे भारी उद्योगों में उपयोग किया जाता है। कम गति वाली सीलिंग के लिए उपयुक्त, सीलिंग माध्यम लिथियम-आधारित ग्रीस है।
उत्पाद सुविधाएँ और अनुप्रयोग:
मुख्य अनुप्रयोग
रोटरी मुहरें शाफ्ट एंड सीलिंग को घुमाने के लिए उपयुक्त हैं, शाफ्ट सीलिंग, उत्खननकर्ता, ग्रैबर्स, रोटरी जोड़ों, रोटरी वितरक को घूर्णन करते हैं, और इस प्रकार की सील का उपयोग अक्सर पेट्रोलियम और रासायनिक उद्योगों में किया जाता है
लाभ
रोटरी सील में अनुकूलनीय मीडिया और तापमान रेंज, अच्छी सीलिंग प्रभाव, उच्च दबाव प्रतिरोध, छोटे क्रॉस-सेक्शनल आकार, हाइड्रोलिक तेल प्रतिरोध, कम घर्षण और कोई स्टिक-स्लिप घटना की एक विस्तृत श्रृंखला होती है।

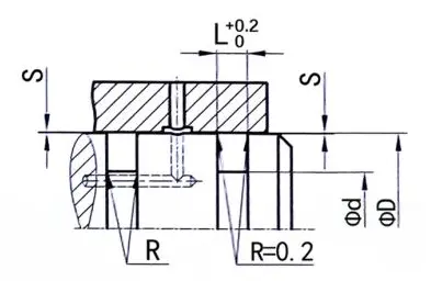
RCR101
आदेश आकार
Φd ...... बाहरी व्यास
Φd ...... आंतरिक व्यास
एल ...... नाली की चौड़ाई
|
सतह खत्म |
आर टीएमएक्स (माइक्रोन) |
आरए (μM) |
|
स्लाइडिंग सतह मिलान रबर/पॉलीयुरेथेन सील स्लाइडिंग सतह मिलान ptfe सील |
≤2.5
≤2 |
≤0.1-0.5
≤0.05-0.3 |
|
नाली नाली |
≤6.3 ≤15 |
≤1.6 ≤3 |
|
टीपी प्रोफ़ाइल समर्थन लंबाई अनुपात |
50%-95% |
|
|
सहनशीलता |
|
|
Φd |
एफ 8 |
|
Φd |
H8 |
आदेश देना उदाहरण
मॉडल: RCR101
नाली का आकार: 100x115x8
सामग्री: एनबीआर/पोम

सील प्रकार: RCR101, RCR102
मुख्य अनुप्रयोग: शाफ्ट अंत सीलिंग को घुमाने के लिए उपयुक्त
लाभ: मीडिया की एक विस्तृत श्रृंखला के लिए उपयुक्त, एक विस्तृत तापमान सीमा, और अच्छा सीलिंग प्रभाव
सामग्री: पॉलीयुरेथेन, रबर/पॉलीऑक्सिमेथिलीन
|
सील नाली उदाहरण |
निम्नलिखित मानक नाली आयाम हैं (आकार सीमा के भीतर किसी भी आकार के रोटरी सील का उत्पादन किया जा सकता है) |
|||||
|
|
|
Φd |
Φd |
L |
सी/एस |
|
|
6-59.9 |
Φd+12 |
7 |
6 |
|||
|
60-139.9 |
Φd+15 |
8 |
7.5 |
|||
|
140-299.9 |
Φd+20 |
10 |
10 |
|||
|
300-499.9 |
Φd+30 |
12 |
15 |
|||
|
500-800 |
Φd+40 |
20 |
20 |
|||
|
> 800 |
Φd+50 |
22 |
25 |
|||

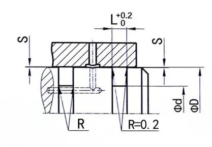
RCR115
आदेश आकार
Φd ...... बाहरी व्यास
Φd ...... आंतरिक व्यास
एल ...... नाली की चौड़ाई
|
सतह खत्म |
आर टीएमएक्स (माइक्रोन) |
आरए (μM) |
|
स्लाइडिंग सतह मिलान रबर/पॉलीयुरेथेन सील स्लाइडिंग सतह मिलान ptfe सील |
≤2.5
≤2 |
≤0.1-0.5
≤0.05-0.3 |
|
नाली नाली |
≤6.3 ≤15 |
≤1.6 ≤3 |
|
टीपी प्रोफ़ाइल समर्थन लंबाई अनुपात |
50%-95% |
|
|
सहनशीलता |
|
|
Φd |
एफ 8 |
|
Φd |
H8 |
आदेश देना उदाहरण
मॉडल: RCR115
नाली का आकार: 100x111x4.2
सामग्री: ptfe4+nbr

सील प्रकार: RCR115
मुख्य अनुप्रयोग: रोटरी शाफ्ट सील, उत्खननकर्ताओं, ग्रैबर्स, कुंडा जोड़ों के लिए उपयुक्त।
लाभ: यह उच्च दबाव का विरोध कर सकता है, छोटे क्रॉस-अनुभागीय आकार का है, हाइड्रोलिक तेल के लिए प्रतिरोधी है, कम घर्षण है और कोई स्टिक-स्लिप घटना नहीं है।
सामग्री: tetrafluoroethylene + नाइट्राइल रबर या फ्लोरोरुबरबेर
|
सील नाली उदाहरण |
निम्नलिखित मानक नाली आयाम हैं (आकार सीमा के भीतर किसी भी आकार के रोटरी सील का उत्पादन किया जा सकता है) |
||||||||
|
|
|
Φd |
Φd |
L |
R |
X |
अधिकतम एक्सट्रूज़न गैप एस |
||
|
100bar |
200bar |
||||||||
|
6-18.9 |
Φd+4.9 |
2.2 |
0.4 |
1.78 |
0.15 |
0.10 |
|||
|
19-37.9 |
Φd+7.5 |
3.2 |
0.6 |
2.62 |
0.20 |
0.15 |
|||
|
38-199.9 |
Φd+11 |
4.2 |
1.0 |
3.53 |
0.25 |
0.20 |
|||
|
200-255.9 |
Φd+15.5 |
6.3 |
1.3 |
5.33 |
0.30 |
0.25 |
|||
|
256-649.9 |
Φd+21 |
8.1 |
1.8 |
7.00 |
0.30 |
0.25 |
|||
|
> 650 |
Φd+28 |
9.5 |
2.5 |
8.40 |
0.45 |
0.30 |
|||

RCR116
आदेश आकार
Φd ...... बाहरी व्यास
Φd ...... आंतरिक व्यास
एल ...... नाली की चौड़ाई
|
सतह खत्म |
आर टीएमएक्स (माइक्रोन) |
आरए (μM) |
|
स्लाइडिंग सतह मिलान रबर/पॉलीयुरेथेन सील स्लाइडिंग सतह मिलान ptfe सील |
≤2.5
≤2 |
≤0.1-0.5
≤0.05-0.3 |
|
नाली नाली |
≤6.3 ≤15 |
≤1.6 ≤3 |
|
टीपी प्रोफ़ाइल समर्थन लंबाई अनुपात |
50%-95% |
|
|
सहनशीलता |
|
|
Φd |
एफ 8 |
|
Φd |
H8 |
आदेश देना उदाहरण
मॉडल: RCR116
नाली का आकार: 100x89x4.2
सामग्री: ptfe4+nbr

सील प्रकार: RCR116
मुख्य अनुप्रयोग: रोटरी शाफ्ट अंत सील, उत्खनन, ग्रैबर्स, रोटरी जोड़ों, रोटरी वितरकों के लिए उपयुक्त।
लाभ: यह मीडिया और तापमान की एक विस्तृत श्रृंखला के लिए उपयुक्त है, इसमें अच्छा सीलिंग प्रभाव, छोटा क्रॉस-सेक्शनल आकार, हाइड्रोलिक तेल के लिए मजबूत प्रतिरोध, कम घर्षण और कोई स्टिक-स्लिप घटना नहीं है।
सामग्री: tetrafluoroethylene + नाइट्राइल रबर या फ्लोरोरुबरबेर
|
सील नाली उदाहरण |
निम्नलिखित मानक नाली आयाम हैं (आकार सीमा के भीतर किसी भी आकार के रोटरी सील का उत्पादन किया जा सकता है) |
||||||||
|
|
|
Φd |
Φd |
L |
R |
O-अंगूठी |
अधिकतम एक्सट्रूज़न गैप एस |
||
|
100bar |
200bar |
||||||||
|
8-39.9 |
ΦD-4.9 |
2.2 |
0.4 |
1.78 |
0.15 |
0.10 |
|||
|
40-79.9 |
-D-7.5 |
3.2 |
0.6 |
2.62 |
0.20 |
0.15 |
|||
|
80-132.9 |
ΦD-11.0 |
4.2 |
1.0 |
3.53 |
0.25 |
0.20 |
|||
|
133-329.9 |
-D-185 |
6.3 |
1.3 |
5.33 |
0.30 |
0.25 |
|||
|
330-669.9 |
ΦD-21.0 |
8.1 |
1.8 |
7.00 |
0.30 |
0.25 |
|||
|
> 670 |
-D-28.0 |
9.5 |
2.5 |
8.40 |
0.45 |
0.30 |
|||

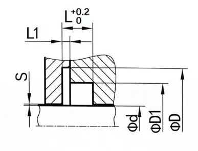
RCR117
आदेश आकार
Φd ...... बाहरी व्यास
Φd1 ...... बाहरी व्यास
Φd ...... आंतरिक व्यास
एल ...... नाली की चौड़ाई
L1 ...... नाली की चौड़ाई
|
सतह खत्म |
आर टीएमएक्स (माइक्रोन) |
आरए (μM) |
|
स्लाइडिंग सतह मिलान रबर/पॉलीयुरेथेन सील स्लाइडिंग सतह मिलान ptfe सील |
≤2.5
≤2 |
≤0.1-0.5
≤0.05-0.3 |
|
नाली नाली |
≤6.3 ≤15 |
≤1.6 ≤3 |
|
टीपी प्रोफ़ाइल समर्थन लंबाई अनुपात |
50%-95% |
|
|
सहनशीलता |
|
|
Φd |
एफ 8 |
|
Φd |
H8 |
आदेश देना उदाहरण
मॉडल: RCR117
नाली का आकार: 100x117.5x110.5x7.1x1.8
सामग्री: ptfe4+v

सील प्रकार: RCR117
मुख्य अनुप्रयोग: शाफ्ट अंत सील को घुमाने के लिए उपयुक्त, इस प्रकार की सील का उपयोग अक्सर पेट्रोलियम और रासायनिक उद्योगों में किया जाता है
लाभ: कम घर्षण, संक्षारण प्रतिरोध, उच्च तापमान प्रतिरोध, उच्च गति के लिए उपयुक्त
सामग्री: PTFE, स्टेनलेस स्टील स्प्रिंग
|
सील नाली उदाहरण |
निम्नलिखित मानक नाली आयाम हैं (आकार सीमा के भीतर किसी भी आकार के रोटरी सील का उत्पादन किया जा सकता है) |
|||||||||
|
|
|
Φd |
Φd |
FD1 |
L |
L1 |
अधिकतम एक्सट्रूज़न गैप एस |
|||
|
20BAR |
100bar |
200bar |
||||||||
|
5-19.9 |
Φd+9 |
Φd+5 |
3.6 |
0.85 |
0.25 |
0.15 |
0.10 |
|||
|
20-39.9 |
Φd+12.5 |
Φd+7 |
4.8 |
1.35 |
0.35 |
0.20 |
0.15 |
|||
|
40-399.9 |
Φd+17.5 |
Φd+10.5 |
7.1 |
1.8 |
0.50 |
0.25 |
0.20 |
|||
|
≥400 |
Φd+22 |
Φd+14 |
9.5 |
2.8 |
0.60 |
0.30 |
0.25 |
|||



















































पता
नंबर 1 रुइचेन रोड, डोंगलियुटिंग औद्योगिक पार्क, चेंगयांग जिला, क़िंगदाओ शहर, शेडोंग प्रांत, चीन
टेलीफोन